Skip to main content

Balanceret translokation hos en patient med abortus habitualis og normal karyotype

Noor Al-Saudi1, Tina Duelund Hjortshøj2, Henriette Svarre Nielsen3 & Finn Stener Jørgensen1

16. sep. 2019
5 min.

Gentagne ufrivillige graviditetstab, abortus habitualis (AH), defineres som mindst tre konsekutive aborter inden graviditetsuge 22 + 0 dage. Tilstanden har en prævalens på 2-3% [1]. Forekomsten af både cytogenetisk synlige og submikroskopiske kromosomafvigelser er højere hos par med AH (1,9-3,5%) end hos baggrundsbefolkningen (0,5%).

Ved en translokation er der udvekslet genetisk materiale mellem ikkehomologe kromosomer. Hvis denne udveksling er sket uden tab af kromosommateriale, taler man om en balanceret translokation. Hvis der ved udvekslingen er sket tab, eller der er tilført ekstra kromosommateriale, bruges betegnelsen ubalanceret translokation. Balancerede translokationer er generelt uden fænotypisk betydning for bærerne. Dog er der øget risiko for ubalanceret nedarvning, som kan resultere i misdannelser, dødfødsler og gentagne graviditetstab [2].

SYGEHISTORIE

En sund og rask 36-årig kvinde, gravida 6 para 0, og hendes partner var udredt for AH. Der blev fundet normale forhold ved en kromosomanalyse, og man kunne ikke påvise en årsag til deres AH.

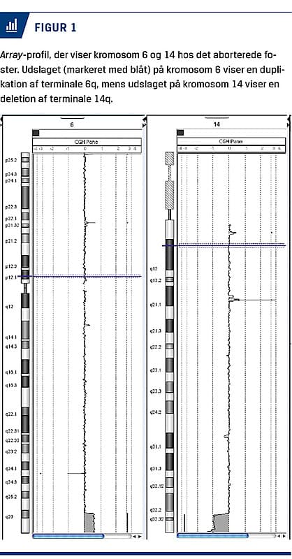
Patienten havde to søskende med mentale handikap. Hendes nuværende graviditet var den første, som hun havde gennemført længere end ti uger. Ved nakkefoldsskanning ved 13 uger + 1 dag var der tegn til hydrops foetalis og fortykket nakkefold på 10,5 mm. Pga. dette blev der foretaget chorionvillusbiopsi med aneuploidiscreening for kromosom 13, 18, 21 og kønskromosomer med kromosom-polymerasekædereaktion (PCR) og efterfølgende array-komparativ genomisk hybridisering (CGH)-analyse. PCR-analysen viste normale forhold hos et pigefoster, hvorimod array-CGH viste to patogene kromosomafvigelser bestående af en ca. 8,6 Mb-duplikation af den terminale del af kromosomarm 6q samt en ca. 5 Mb-deletion af den terminale del af kromosomarm 14q (Figur 1). De påviste kromosomafvigelser blev vurderet at være forbundet med en øget risiko for ansigtsdysmorfi, mental retardering i moderat til svær grad samt medfødte misdannelser såsom hjertefejl og misdannelser i centralnervesystemet. Forældreanalyser med metafase-fluorescens-in situ-
hybridisering (FISH) med prober for de terminale dele af kromosomarmene 6q og 14q viste normale forhold hos vir, hvorimod patienten var bærer af en balanceret translokation mellem de terminale dele af kromosomarmene 6q og 14q (Figur 2). Pga. ovenstående fund ansøgte parret om provokeret abort. Efter tilladelse fra Samrådet blev graviditeten afbrudt. Ved senere genetisk rådgivning blev parret anbefalet graviditet med præimplantationsgenetisk testning. Ligeledes blev invasiv prænatal diagnostik anbefalet pga. den øgede risiko for ubalanceret nedarvning. Patienten har siden fået en rask søn efter in vitro-fertilisering og præimplantationsgenetisk testning. I forbindelse hermed blev tre embryoner undersøgt. Heraf viste to ubalanceret translokation, og et viste balanceret translokation og blev til det fødte barn. Yderligere blev patientens mor senere undersøgt, hvorved man påviste samme balancerede translokation. En ubalanceret nedarvning formodes at være årsag til den mentale retardering hos
patientens to søskende.

DISKUSSION

AH er en multifaktoriel tilstand med fortsat begrænsede muligheder for evidensbaseret behandling. Føtale genetiske anomalier, der er uforenelige med liv, er en blandt en række formodede årsager. For nuværende anbefales en standardudredning for eventuelle parentale kromosomafvigelser, livstilsfaktorer, uterine anomalier samt endokrinologiske, tromboemboliske og immunologiske lidelser [1]. Trods dette er mere end 50% af AH-tilfældene fortsat uforklarede [1, 2]. Patienten i sygehistorien havde en normal karyotype ved konventionel G-båndsfarvning, men en balanceret submikroskopisk translokation. Hendes gentagne graviditetstab må formodes at være et resultat af ubalanceret nedarvning. Her er de molekylærgenetiske metoder, som
array-CGH, af stor værdi, idet submikroskopiske afvigelser kan detekteres. Array-CGH er en DNA-baseret metode, der kan anvendes på forskellige biologiske materialer. Metoden benyttes bl.a. i forbindelse med prænatal diagnostik af fostre med ultralydskanningspåviste misdannelser og postnatalt på væv fra aborterede fostre med misdannelser. Metoden har en stor opløselighed og en høj detektionsrate og i forhold til den konventionelle kromosomanalyse giver den mindre risiko for maternel kontaminering og hurtigere svar uafhængigt af cellevækst [1, 3, 4]. Ved at sammenholde resultaterne fra array-CGH (hos fosteret) med udvidede
kromosomspecifikke undersøgelser (f.eks. FISH) af forældrene kan det afgøres, om der er tale om en patogen nedarvet kromosomforandring. Dette kan give forældrene en mulig forklaring på AH og er afgørende for den genetiske rådgivning ved kommende graviditeter.

Korrespondance: Noor Al-Saudi. E-mail: noor_alsaudi@hotmail.com.

Antaget: 8. juni 2019

Publiceret på Ugeskriftet.dk: 16. september 2019

Interessekonflikter: ingen. Forfatternes ICMJE-formularer er tilgængelige sammen med artiklen på Ugeskriftet.dk

Summary

Noor Al-Saudi, Tina Duelund Hjortshøj, Henriette Svarre Nielsen & Finn Stener Jørgensen:

Balanced translocation in a patient with abortus habitualis and normal karyotype

Ugeskr Læger 2019;181:V04190231

This is a case report of a 36-year-old woman with unexplained recurrent pregnancy loss, and during her recent pregnancy there were signs of hydrops foetalis. Chorionic villus sampling with array-comparative genomic hybridisation revealed an 8.6 Mb duplication of 6q26q27 and a deletion of 14q32.31q32.33. Subsequent genetic examinations of the parents with fluorescence in situ hybridisation showed a submicroscopically balanced translocation on the patient‘s chromosomes 6 and 14, which explained her recurrent abortions, and which could not be detected with the conventional genetic testing G-band-karyotyping.

Referencer

LITTERATUR

  1. Andersen LHJ, Aziz M, Bülow N et al. Abortus habitualis (AH) – udredning og behandling – klinisk guideline. Dansk Selskab for Gynækologi og Obstetrik, 2018.

  2. el Hachem H, Crepaux V, May-Panloup P et al. Recurrent pregnancy loss: current perspectives. Int J Womens Health 2017;9:331-45.

  3. van den Berg MM, van Maarle MC, vand Wely M et al. Genetics of early miscarriage. Biochim et Biophys Acta 2012;1822:1951-9.

  4. Nørgaard LN, Ekelund C, Fagerberg C et al. Array-komparativ genomisk hybridisering er en ny og lovende metode til prænatal kromosomundersøgelse. Ugeskr Læger 2014;176:1379-82.